|
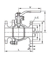
主要外型尺寸和连接尺寸:
|
PN |
DN |
L |
H |
D |
D1 |
D2 |
b |
f |
Z-φd |
D0 |
|
|
15 |
130 |
82 |
95 |
65 |
45 |
16 |
2 |
4-14 |
130 |
|
|
20 |
140 |
100 |
105 |
75 |
55 |
16 |
2 |
4-14 |
140 |
|
|
25 |
150 |
104 |
115 |
85 |
65 |
16 |
2 |
4-14 |
150 |
|
|
32 |
165 |
134 |
135 |
100 |
78 |
18 |
3 |
4-18 |
170 |
|
|
40 |
180 |
140 |
145 |
110 |
85 |
18 |
3 |
4-18 |
230 |
|
|
50 |
200 |
155 |
160 |
125 |
100 |
20 |
3 |
4-18 |
230 |
|
|
65 |
220 |
180 |
180 |
145 |
120 |
22 |
3 |
8-18 |
300 |
|
|
80 |
250 |
200 |
195 |
160 |
135 |
22 |
3 |
8-18 |
400 |
|
|
100 |
320 |
222 |
230 |
190 |
160 |
24 |
3 |
8-23 |
400 |
|
|
125 |
400 |
236 |
270 |
220 |
188 |
28 |
3 |
8-25 |
1100 |
|
|
150 |
400 |
295 |
300 |
250 |
218 |
30 |
3 |
8-25 |
1100 |
|
|
200 |
500 |
342 |
360 |
320 |
282 |
34 |
4 |
12-25 |
1500 | |
| | |